公司LOGO

进口精密工具仪器一级代理商原装进口 · 货源充足 · 技术支持 · 品质有保障

全国服务热线

全国服务热线: 18927503295

产品
您的位置: 网站首页 > 按产品分 > 柔性浮动去毛刺打磨头IBJG8018-AQC
  • IBJG8018-AQC机器人浮动打磨头
  • IBJG8018-AQC机器人浮动打磨头
  • IBJG8018-AQC机器人浮动打磨头

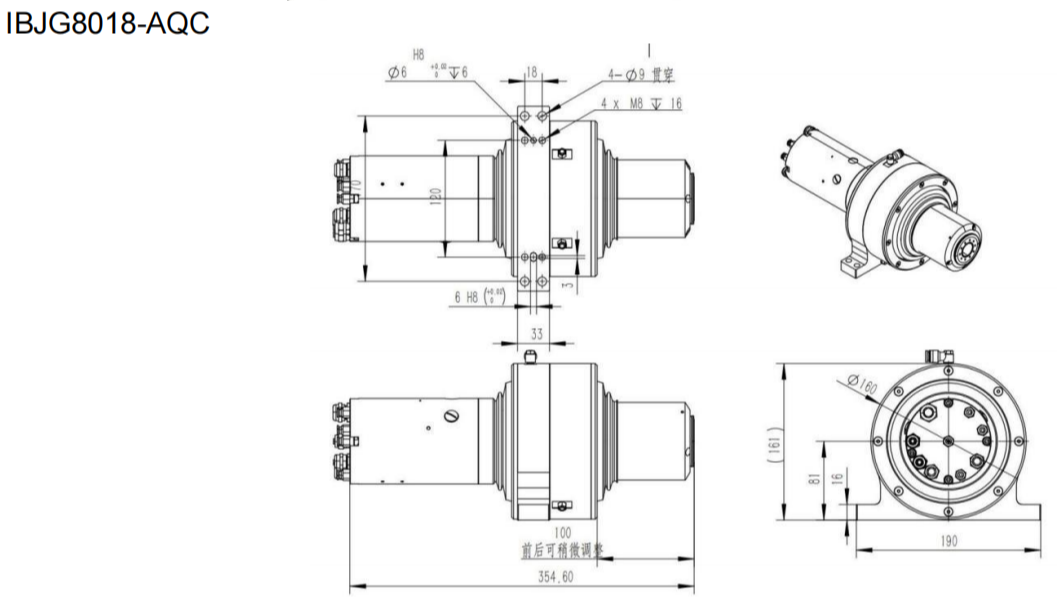
柔性浮动去毛刺打磨头IBJG8018-AQC

现代制造业发展几十年,以及认识到表面毛刺会直接影响到产品的质量,因此去除表面毛刺以及是机械加工不可或缺的关键一环,传统人工去毛刺面临效率低下、人工成本高等实际问题,不少客户在寻找一款加工效率高、长期使用相较于人工成本更低的去毛刺方案,百舜精密推荐柔性去毛刺打磨头IBJG8018-AQC。
定制热线 18927503295

产品特点

       表面毛刺会直接影响产品的链接和损伤表面光滑度,对于现代工业来说去除表面毛刺是生产制造的关键一环,不少用户咨询有没有一种去毛刺方案在速度和质量上远超人工,长期使用成本还更低?百舜精密推荐IBJG8018-AQC柔性去毛刺打磨头,这款打磨头采用双向浮动可以设置对工件接触的接触力,有效防止过切或者切不到的现象。

IBJG8018-AQC浮动打磨头详细参数:
浮动主轴型号:IBJG8018-AQC
浮动形式:径向
浮动压力:20-250N
轴向浮动:0-10mm
电机类型:三相异步
电 源:380V/7.6A
功率:3.8KW
最大扭矩:2.0Nm
额定转速:18000rpm
夹头尺寸:ISO20(ER20)
冷却方式:水冷
耗材最大直径:75mm
整体重量:15kg

IBJG8018-AQC浮动打磨头特点:
    加工效率和加工质量是浮动去毛刺打磨头最大的特点,可设置对工作边缘的接触力,有效适应产品变形量,防止出现过切或者切不到的现象,也可以达到保护刀具及设备,使之贴合于工作边缘降低调试难度。相较于传统人工打磨,浮动去毛刺打磨头在效率、质量、长期使用成本更低等多个方式优势明显。

IBJG8018-AQC浮动打磨头应用场景:
    IBJG8018-AQC在一些对于去处表面毛刺要求较高的行业有非常广泛的应用,如在汽车发动机的表面、汽车轮毂、变速箱缸体、医用手术刀、医用植入物、航空航天发动机叶片等领域优势非常明显。
IBJG8018-AQC浮动打磨头柔性去毛刺设备
IBJG8018-AQC浮动打磨头柔性去毛刺设备
IBJG8018-AQC浮动打磨头柔性去毛刺设备
IBJG8018-AQC浮动打磨头柔性去毛刺设备

检测报告

百舜精密-诚信经营示范单位
百舜精密-诚信经营示范单位
百舜精密-诚信企业家
百舜精密-诚信企业家
百舜精密-资信等级证书
百舜精密-资信等级证书
百舜精密-重合同守信用企业
百舜精密-重合同守信用企业

公司实力

未标题-8

原装正品保障

01
◆ 进口工量具一级代理商,整合了日本NAKANISHI主轴、XEBEC、德国戴博、美国PPS、日本得乐等品牌资源,提供原装进口的高品质产品。
◆ 12年行业经验,赢得众多上市企业信赖,成为机械加工、医疗设备、机器人自动化等领域合作伙伴。

质量稳定可靠

02
◆ 构建涵盖高速主轴、精密量仪、抛光耗材等全场景产品体系,覆盖精加工、检测、抛光等制造环节,提供一站式技术方案。
◆ 提供如日本NAKANISHI高速电主轴、高精密水平仪等高精度产品,满足制造业对高精度加工与测量的需求。

全面技术支持

03
◆ 拥有一支专项的技术团队,能够提供从产品选型、安装调试到技术培训的全方位支持。
◆ 根据客户需求,提供设备选型、工艺优化等一站式技术支持,满足不同客户的个性化需求。

售后无忧

04
◆ 提供原产地证明、报关单、代理授权书,全程透明可追溯,确保产品来源的合法性和可靠性。
 ◆ 通过海外直采与国内保税仓备货相结合,缩短交货周期,支持紧急订单,保障客户能够及时获取所需产品。

热品推荐

美能达迷你口袋型电动打磨机

美能达迷你口袋型电动打磨机

 φ22.8mm主轴,主轴跳动精度在1μm以内 采用陶瓷轴承,耐用性提高2倍,具有刚性可提高加工条件 采用无碳刷马达,轴承寿命更长,没有碳刷和灰尘,产品使用寿命更长 工具深入50mm夹持范围35mm运用于CNC车床/专用机,小型数控机床节省安装空间,小尺寸主轴,允许在有限的空间安装多个主轴,适合高精度加工
hts气主轴

hts气主轴

 φ22.8mm主轴,主轴跳动精度在1μm以内 采用陶瓷轴承,耐用性提高2倍,具有刚性可提高加工条件 采用无碳刷马达,轴承寿命更长,没有碳刷和灰尘,产品使用寿命更长 工具深入50mm夹持范围35mm运用于CNC车床/专用机,小型数控机床节省安装空间,小尺寸主轴,允许在有限的空间安装多个主轴,适合高精度加工
hes主轴

hes主轴

 φ22.8mm主轴,主轴跳动精度在1μm以内 采用陶瓷轴承,耐用性提高2倍,具有刚性可提高加工条件 采用无碳刷马达,轴承寿命更长,没有碳刷和灰尘,产品使用寿命更长 工具深入50mm夹持范围35mm运用于CNC车床/专用机,小型数控机床节省安装空间,小尺寸主轴,允许在有限的空间安装多个主轴,适合高精度加工
Air-Speed

Air-Speed

 φ22.8mm主轴,主轴跳动精度在1μm以内 采用陶瓷轴承,耐用性提高2倍,具有刚性可提高加工条件 采用无碳刷马达,轴承寿命更长,没有碳刷和灰尘,产品使用寿命更长 工具深入50mm夹持范围35mm运用于CNC车床/专用机,小型数控机床节省安装空间,小尺寸主轴,允许在有限的空间安装多个主轴,适合高精度加工
E3000

E3000

 φ22.8mm主轴,主轴跳动精度在1μm以内 采用陶瓷轴承,耐用性提高2倍,具有刚性可提高加工条件 采用无碳刷马达,轴承寿命更长,没有碳刷和灰尘,产品使用寿命更长 工具深入50mm夹持范围35mm运用于CNC车床/专用机,小型数控机床节省安装空间,小尺寸主轴,允许在有限的空间安装多个主轴,适合高精度加工

联系我们

电话咨询

18927503295

微信咨询

二维码