公司LOGO

进口精密工具仪器一级代理商原装进口 · 货源充足 · 技术支持 · 品质有保障

全国服务热线

全国服务热线: 18927503295

产品
您的位置: 网站首页 > 按产品分 > 柔性动力头去毛刺主轴IBJG-8012-SL
  • 主轴机器人浮动IBJG-8012-SL
  • 主轴机器人浮动IBJG-8012-SL
  • 主轴机器人浮动IBJG-8012-SL

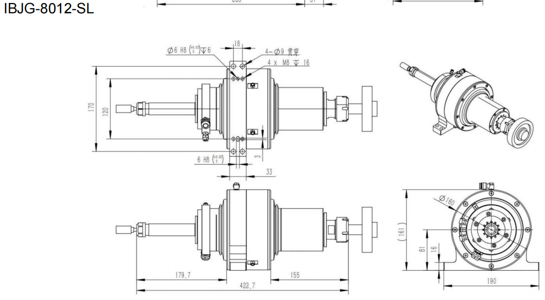
柔性动力头去毛刺主轴IBJG-8012-SL

表面毛刺怎么高效精确的去除?现有的人工去除方式效率太低,已经拖累了整个流水线的加工效率,请问有什么新的加工方式能够改善这种情况,这是不少用户在后台咨询的问题,百舜精密推荐浮动打磨头主轴机器人IBJG-8012-SL,加工效率比传统手工快3-5倍,在一些特殊复杂的场景,效率提高10倍。
定制热线 18927503295

产品特点

       在高端制造业中,表面粗糙度是否足够低是判断一个零部件是否合格的重要指标,表面粗糙度过高会影响产品质量影响,而表面毛刺是影响表面粗糙度的重要原因,传统手工去毛刺不仅效率低而且质量不稳定,难以满足现代制造业对于高效、质量的要求,百舜精密推荐浮动打磨头主轴机器人IBJG-8012-SL,下面为您详细介绍这款产品。

IBJG-8012-SL浮动打磨头详细参数:
浮动主轴型号:IBJG-8012-SL
浮动形式:径向
浮动压力:20-250N
轴向浮动:0-10mm
电机类型:三相异步
电 源:380V/6.4  A
功率:3.5KW
最大扭矩:2.7Nm
额定转速:12000rpm
夹头尺寸:ISO20(ER20)
冷却方式:水冷
耗材最大直径:100mm
整体重量:13kg

IBJG-8012-SL浮动打磨头特点:
        IBJG-8012-SL浮动打磨头的特点是相较于传统手工去毛刺其加工效率和质量有了大幅度的提高,浮动打磨头内部设有传感器,可实时监测距离和切削力并自动调整进给速度。防止出现过切或者切不到的现象,整体加工质量相较于人工有了很大的提升。

IBJG-8012-SL浮动打磨头应用场景:
       在一些追求加工效率和质量的场景,IBJG-8012-SL浮动打磨头应用非常广泛,如铝合金压铸件边缘去毛刺、汽车发动机边缘去毛刺、汽车轮毂毛刺、3C产品外壳抛光去毛刺。
主轴机器人浮动IBJG-8012-SL
主轴机器人浮动IBJG-8012-SL
主轴机器人浮动IBJG-8012-SL
主轴机器人浮动IBJG-8012-SL

检测报告

百舜精密-诚信经营示范单位
百舜精密-诚信经营示范单位
百舜精密-诚信企业家
百舜精密-诚信企业家
百舜精密-资信等级证书
百舜精密-资信等级证书
百舜精密-重合同守信用企业
百舜精密-重合同守信用企业

公司实力

未标题-8

原装正品保障

01
◆ 进口工量具一级代理商,整合了日本NAKANISHI主轴、XEBEC、德国戴博、美国PPS、日本得乐等品牌资源,提供原装进口的高品质产品。
◆ 12年行业经验,赢得众多上市企业信赖,成为机械加工、医疗设备、机器人自动化等领域合作伙伴。

质量稳定可靠

02
◆ 构建涵盖高速主轴、精密量仪、抛光耗材等全场景产品体系,覆盖精加工、检测、抛光等制造环节,提供一站式技术方案。
◆ 提供如日本NAKANISHI高速电主轴、高精密水平仪等高精度产品,满足制造业对高精度加工与测量的需求。

全面技术支持

03
◆ 拥有一支专项的技术团队,能够提供从产品选型、安装调试到技术培训的全方位支持。
◆ 根据客户需求,提供设备选型、工艺优化等一站式技术支持,满足不同客户的个性化需求。

售后无忧

04
◆ 提供原产地证明、报关单、代理授权书,全程透明可追溯,确保产品来源的合法性和可靠性。
 ◆ 通过海外直采与国内保税仓备货相结合,缩短交货周期,支持紧急订单,保障客户能够及时获取所需产品。

热品推荐

美能达迷你口袋型电动打磨机

美能达迷你口袋型电动打磨机

 φ22.8mm主轴,主轴跳动精度在1μm以内 采用陶瓷轴承,耐用性提高2倍,具有刚性可提高加工条件 采用无碳刷马达,轴承寿命更长,没有碳刷和灰尘,产品使用寿命更长 工具深入50mm夹持范围35mm运用于CNC车床/专用机,小型数控机床节省安装空间,小尺寸主轴,允许在有限的空间安装多个主轴,适合高精度加工
hts气主轴

hts气主轴

 φ22.8mm主轴,主轴跳动精度在1μm以内 采用陶瓷轴承,耐用性提高2倍,具有刚性可提高加工条件 采用无碳刷马达,轴承寿命更长,没有碳刷和灰尘,产品使用寿命更长 工具深入50mm夹持范围35mm运用于CNC车床/专用机,小型数控机床节省安装空间,小尺寸主轴,允许在有限的空间安装多个主轴,适合高精度加工
hes主轴

hes主轴

 φ22.8mm主轴,主轴跳动精度在1μm以内 采用陶瓷轴承,耐用性提高2倍,具有刚性可提高加工条件 采用无碳刷马达,轴承寿命更长,没有碳刷和灰尘,产品使用寿命更长 工具深入50mm夹持范围35mm运用于CNC车床/专用机,小型数控机床节省安装空间,小尺寸主轴,允许在有限的空间安装多个主轴,适合高精度加工
Air-Speed

Air-Speed

 φ22.8mm主轴,主轴跳动精度在1μm以内 采用陶瓷轴承,耐用性提高2倍,具有刚性可提高加工条件 采用无碳刷马达,轴承寿命更长,没有碳刷和灰尘,产品使用寿命更长 工具深入50mm夹持范围35mm运用于CNC车床/专用机,小型数控机床节省安装空间,小尺寸主轴,允许在有限的空间安装多个主轴,适合高精度加工
E3000

E3000

 φ22.8mm主轴,主轴跳动精度在1μm以内 采用陶瓷轴承,耐用性提高2倍,具有刚性可提高加工条件 采用无碳刷马达,轴承寿命更长,没有碳刷和灰尘,产品使用寿命更长 工具深入50mm夹持范围35mm运用于CNC车床/专用机,小型数控机床节省安装空间,小尺寸主轴,允许在有限的空间安装多个主轴,适合高精度加工

联系我们

电话咨询

18927503295

微信咨询

二维码