公司LOGO

进口精密工具仪器一级代理商原装进口 · 货源充足 · 技术支持 · 品质有保障

全国服务热线

全国服务热线: 18927503295

产品
您的位置: 网站首页 > 按产品分 > 偏摆仪562-1
  • 日本RSK偏摆仪562-1
  • 日本RSK偏摆仪562-1
  • 日本RSK偏摆仪562-2

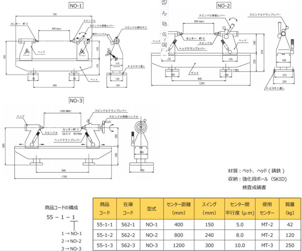
偏摆仪562-1

日本RSK偏摆仪562-1偏摆仪参数:径向回转精度≤0.005mm,顶尖轴线在100mm范围内对导轨平行度(水平垂直方向)≤0.005mm,测量长度400mm,被测工件最大直径400mm,顶针平面度0.01mm,平行度0.005mm,重量46kg。应用场景广泛,在机械加工行业可检测轴类零件圆柱度、同轴度等;汽车制造领域能检测发动机曲轴、凸轮轴精度;航空航天工业可检测航空发动机叶片等关键零部件精度,保障产品质量。
定制热线 18927503295

产品特点

日本RSK偏摆仪562-1
日本RSK偏摆仪562-1

检测报告

百舜精密-诚信经营示范单位
百舜精密-诚信经营示范单位
百舜精密-诚信企业家
百舜精密-诚信企业家
百舜精密-资信等级证书
百舜精密-资信等级证书
百舜精密-重合同守信用企业
百舜精密-重合同守信用企业

公司实力

未标题-8

原装正品保障

01
◆ 进口工量具一级代理商,整合了日本NAKANISHI主轴、XEBEC、德国戴博、美国PPS、日本得乐等品牌资源,提供原装进口的高品质产品。
◆ 12年行业经验,赢得众多上市企业信赖,成为机械加工、医疗设备、机器人自动化等领域合作伙伴。

质量稳定可靠

02
◆ 构建涵盖高速主轴、精密量仪、抛光耗材等全场景产品体系,覆盖精加工、检测、抛光等制造环节,提供一站式技术方案。
◆ 提供如日本NAKANISHI高速电主轴、高精密水平仪等高精度产品,满足制造业对高精度加工与测量的需求。

全面技术支持

03
◆ 拥有一支专项的技术团队,能够提供从产品选型、安装调试到技术培训的全方位支持。
◆ 根据客户需求,提供设备选型、工艺优化等一站式技术支持,满足不同客户的个性化需求。

售后无忧

04
◆ 提供原产地证明、报关单、代理授权书,全程透明可追溯,确保产品来源的合法性和可靠性。
 ◆ 通过海外直采与国内保税仓备货相结合,缩短交货周期,支持紧急订单,保障客户能够及时获取所需产品。

热品推荐

美能达迷你口袋型电动打磨机

美能达迷你口袋型电动打磨机

 φ22.8mm主轴,主轴跳动精度在1μm以内 采用陶瓷轴承,耐用性提高2倍,具有刚性可提高加工条件 采用无碳刷马达,轴承寿命更长,没有碳刷和灰尘,产品使用寿命更长 工具深入50mm夹持范围35mm运用于CNC车床/专用机,小型数控机床节省安装空间,小尺寸主轴,允许在有限的空间安装多个主轴,适合高精度加工
hts气主轴

hts气主轴

 φ22.8mm主轴,主轴跳动精度在1μm以内 采用陶瓷轴承,耐用性提高2倍,具有刚性可提高加工条件 采用无碳刷马达,轴承寿命更长,没有碳刷和灰尘,产品使用寿命更长 工具深入50mm夹持范围35mm运用于CNC车床/专用机,小型数控机床节省安装空间,小尺寸主轴,允许在有限的空间安装多个主轴,适合高精度加工
hes主轴

hes主轴

 φ22.8mm主轴,主轴跳动精度在1μm以内 采用陶瓷轴承,耐用性提高2倍,具有刚性可提高加工条件 采用无碳刷马达,轴承寿命更长,没有碳刷和灰尘,产品使用寿命更长 工具深入50mm夹持范围35mm运用于CNC车床/专用机,小型数控机床节省安装空间,小尺寸主轴,允许在有限的空间安装多个主轴,适合高精度加工
Air-Speed

Air-Speed

 φ22.8mm主轴,主轴跳动精度在1μm以内 采用陶瓷轴承,耐用性提高2倍,具有刚性可提高加工条件 采用无碳刷马达,轴承寿命更长,没有碳刷和灰尘,产品使用寿命更长 工具深入50mm夹持范围35mm运用于CNC车床/专用机,小型数控机床节省安装空间,小尺寸主轴,允许在有限的空间安装多个主轴,适合高精度加工
E3000

E3000

 φ22.8mm主轴,主轴跳动精度在1μm以内 采用陶瓷轴承,耐用性提高2倍,具有刚性可提高加工条件 采用无碳刷马达,轴承寿命更长,没有碳刷和灰尘,产品使用寿命更长 工具深入50mm夹持范围35mm运用于CNC车床/专用机,小型数控机床节省安装空间,小尺寸主轴,允许在有限的空间安装多个主轴,适合高精度加工

联系我们

电话咨询

18927503295

微信咨询

二维码