公司LOGO

进口精密工具仪器一级代理商原装进口 · 货源充足 · 技术支持 · 品质有保障

全国服务热线

全国服务热线: 18927503295

产品
您的位置: 网站首页 > 按产品分 > 浮动去毛刺主轴IBJG-8024
  • IBJG-4024机器人浮动打磨头
  • IBJG-4024机器人浮动打磨头
  • IBJG-4024机器人浮动打磨头

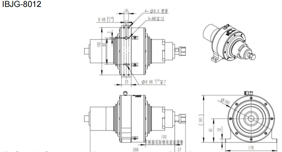
浮动去毛刺主轴IBJG-8024

人工去毛刺在小批量生产活动中有其灵活、成本低的特点,但是如果生产效率提高,手工去毛刺面临着效率低下、质量难以把控的问题,百舜精密推荐IBJG-8024柔性动力头,相较于手工去毛刺,浮动主轴去毛刺有自动化程度高、质量稳定、适应性好等优点,在精加工领域应用十分广泛。
定制热线 18927503295

产品特点

       传统去毛刺十分依赖技师的手法,如果工作人员经验不足将会造成过切或者毛刺去不干净的情况,并且面临着效率低下的客观情况,百舜精密推荐IBJG柔性动力头铸铁打磨浮动打磨头IBJG-8024,相较于手工去毛刺,浮动去毛刺主轴优势十分明显,不仅在加工效率和加工质量上有质的飞跃,并且长期使用成本相较于人工更划算。

IBJG-8024浮动打磨头详细参数:
浮动主轴型号:IBJG-8024
浮动形式:径向
浮动压力:20-250N
轴向浮动:0-10mm
电机类型:三相异步
电 源:380V/4.4A
功率:2.2KW
最大扭矩:1.2Nm
额定转速:240000rpm
夹头尺寸:ER20(1-13mm)
冷却方式:风冷
耗材最大直径:90mm
整体重量:9.6kg

IBJG-8024浮动打磨头特点:
    加工效率和加工质量是浮动去毛刺打磨头最大的特点,传统砂轮、钢丝刷等刚性去毛刺方式不仅效率低,而且十分容易损伤到工件表面,浮动去毛刺主轴通过高精度浮动机构调节,实现刀具与工件的恒定接触压力控制,相较于人工,不仅质量更高,效率也提高了数十倍。

IBJG-8024浮动打磨头应用场景:
     IBJG-8024浮动打磨头适用于对加工效率、加工质量、一致性要求非常高的场景,如汽车零部件、手机外壳、PCB板、新能源汽车电池托盘、钛合金飞机叶片边缘倒角毛刺去除等各种场景。
IBJG-8024浮动打磨头柔性去毛刺设备
IBJG-8024浮动打磨头柔性去毛刺设备
IBJG-8024浮动打磨头柔性去毛刺设备
IBJG-8024浮动打磨头柔性去毛刺设备

检测报告

百舜精密-诚信经营示范单位
百舜精密-诚信经营示范单位
百舜精密-诚信企业家
百舜精密-诚信企业家
百舜精密-资信等级证书
百舜精密-资信等级证书
百舜精密-重合同守信用企业
百舜精密-重合同守信用企业

公司实力

未标题-8

原装正品保障

01
◆ 进口工量具一级代理商,整合了日本NAKANISHI主轴、XEBEC、德国戴博、美国PPS、日本得乐等品牌资源,提供原装进口的高品质产品。
◆ 12年行业经验,赢得众多上市企业信赖,成为机械加工、医疗设备、机器人自动化等领域合作伙伴。

质量稳定可靠

02
◆ 构建涵盖高速主轴、精密量仪、抛光耗材等全场景产品体系,覆盖精加工、检测、抛光等制造环节,提供一站式技术方案。
◆ 提供如日本NAKANISHI高速电主轴、高精密水平仪等高精度产品,满足制造业对高精度加工与测量的需求。

全面技术支持

03
◆ 拥有一支专项的技术团队,能够提供从产品选型、安装调试到技术培训的全方位支持。
◆ 根据客户需求,提供设备选型、工艺优化等一站式技术支持,满足不同客户的个性化需求。

售后无忧

04
◆ 提供原产地证明、报关单、代理授权书,全程透明可追溯,确保产品来源的合法性和可靠性。
 ◆ 通过海外直采与国内保税仓备货相结合,缩短交货周期,支持紧急订单,保障客户能够及时获取所需产品。

热品推荐

美能达迷你口袋型电动打磨机

美能达迷你口袋型电动打磨机

 φ22.8mm主轴,主轴跳动精度在1μm以内 采用陶瓷轴承,耐用性提高2倍,具有刚性可提高加工条件 采用无碳刷马达,轴承寿命更长,没有碳刷和灰尘,产品使用寿命更长 工具深入50mm夹持范围35mm运用于CNC车床/专用机,小型数控机床节省安装空间,小尺寸主轴,允许在有限的空间安装多个主轴,适合高精度加工
hts气主轴

hts气主轴

 φ22.8mm主轴,主轴跳动精度在1μm以内 采用陶瓷轴承,耐用性提高2倍,具有刚性可提高加工条件 采用无碳刷马达,轴承寿命更长,没有碳刷和灰尘,产品使用寿命更长 工具深入50mm夹持范围35mm运用于CNC车床/专用机,小型数控机床节省安装空间,小尺寸主轴,允许在有限的空间安装多个主轴,适合高精度加工
hes主轴

hes主轴

 φ22.8mm主轴,主轴跳动精度在1μm以内 采用陶瓷轴承,耐用性提高2倍,具有刚性可提高加工条件 采用无碳刷马达,轴承寿命更长,没有碳刷和灰尘,产品使用寿命更长 工具深入50mm夹持范围35mm运用于CNC车床/专用机,小型数控机床节省安装空间,小尺寸主轴,允许在有限的空间安装多个主轴,适合高精度加工
Air-Speed

Air-Speed

 φ22.8mm主轴,主轴跳动精度在1μm以内 采用陶瓷轴承,耐用性提高2倍,具有刚性可提高加工条件 采用无碳刷马达,轴承寿命更长,没有碳刷和灰尘,产品使用寿命更长 工具深入50mm夹持范围35mm运用于CNC车床/专用机,小型数控机床节省安装空间,小尺寸主轴,允许在有限的空间安装多个主轴,适合高精度加工
E3000

E3000

 φ22.8mm主轴,主轴跳动精度在1μm以内 采用陶瓷轴承,耐用性提高2倍,具有刚性可提高加工条件 采用无碳刷马达,轴承寿命更长,没有碳刷和灰尘,产品使用寿命更长 工具深入50mm夹持范围35mm运用于CNC车床/专用机,小型数控机床节省安装空间,小尺寸主轴,允许在有限的空间安装多个主轴,适合高精度加工

联系我们

电话咨询

18927503295

微信咨询

二维码